String是Java基础的重要考点。可问的点多,而且很多点可以横向切到其他考点,或纵向深入JVM。
本文略过了String的基本内容,重点在于String#intern()。
String常量池
String常量可能会在两种时机进入常量池:
编译期:通过双引号声明的常量(包括显示声明、静态编译优化后的常量,如”1”+”2”优化为常量”12”),在前端编译期将被静态的写入class文件中的“常量池”。该“常量池”会在类加载后被载入“内存中的常量池”,也就是我们平时所说的常量池。同时,JIT优化也可能产生类似的常量。
运行期:调用String#intern()方法,可能将该String对象动态的写入上述“内存中常量池”。
时机1的行为是明确的。原理可阅读class文件结构、类加载、编译期即运行期优化等内容。
时机2在jdk6和jdk7中的行为不同,下面讨论。
String#intern()
读者可直接阅读参考资料。下述总结仅为了猴子自己复习方便。
声明
/**
* Returns a canonical representation for the string object.
* <p>
* A pool of strings, initially empty, is maintained privately by the
* class <code>String</code>.
* <p>
* When the intern method is invoked, if the pool already contains a
* string equal to this <code>String</code> object as determined by
* the {@link #equals(Object)} method, then the string from the pool is
* returned. Otherwise, this <code>String</code> object is added to the
* pool and a reference to this <code>String</code> object is returned.
* <p>
* It follows that for any two strings <code>s</code> and <code>t</code>,
* <code>s.intern() == t.intern()</code> is <code>true</code>
* if and only if <code>s.equals(t)</code> is <code>true</code>.
* <p>
* All literal strings and string-valued constant expressions are
* interned. String literals are defined in section 3.10.5 of the
* <cite>The Java™ Language Specification</cite>.
*
* @return a string that has the same contents as this string, but is
* guaranteed to be from a pool of unique strings.
*/ public native String intern();String#intern()是一个native方法。根据Javadoc,如果常量池中存在当前字符串, 就会直接返回当前字符串. 如果常量池中没有此字符串, 会将此字符串放入常量池中后, 再返回。
实现原理
JNI最后调用了c++实现的StringTable::intern()方法:
oop StringTable::intern(Handle string_or_null, jchar* name,
int len, TRAPS) {
unsigned int hashValue = java_lang_String::hash_string(name, len);
int index = the_table()->hash_to_index(hashValue);
oop string = the_table()->lookup(index, name, len, hashValue);
// Found
if (string != NULL) return string;
// Otherwise, add to symbol to table
return the_table()->basic_add(index, string_or_null, name, len,
hashValue, CHECK_NULL);
}
oop StringTable::lookup(int index, jchar* name,
int len, unsigned int hash) {
for (HashtableEntry<oop>* l = bucket(index); l != NULL; l = l->next()) {
if (l->hash() == hash) {
if (java_lang_String::equals(l->literal(), name, len)) {
return l->literal();
}
}
}
return NULL;
}在the_table()返回的hash表中查找字符串,如果存在就返回,否则加入表。
StringTable是一个固定大小的Hashtable,默认大小是1009。基本逻辑与Java中HashMap相同,也使用拉链法解决碰撞问题。
既然是拉链法,那么如果放进的String非常多,就会加剧碰撞,导致链表非常长。最坏情况下,String#intern()的性能由O(1)退化到O(n)。
jdk6中StringTable的长度固定为1009。
jdk7中,StringTable的长度可以通过一个参数
-XX:StringTableSize指定,默认1009。
jdk6和jdk7下String#intern()的区别
引言
相信很多Java程序员都做类似String s = new String("abc");这个语句创建了几个对象的题目。这种题目主要是为了考察程序员对字符串对象常量池的掌握。上述的语句中创建了2个对象:
第一个对象,内容"abc",存储在常量池中。
第二个对象,内容"abc",存储在堆中。
问题
来看一段代码:
public static void main(String[] args) {
String s = new String("1");
s.intern();
String s2 = "1";
System.out.println(s == s2);
String s3 = new String("1") + new String("1");
s3.intern();
String s4 = "11";
System.out.println(s3 == s4);
}打印结果:
# jdk6下false false# jdk7下false true
具体为什么稍后再解释,然后将s3.intern();语句下调一行,放到String s4 = "11";后面。将s.intern();放到String s2 = "1";后面:
public static void main(String[] args) {
String s = new String("1");
String s2 = "1";
s.intern();
System.out.println(s == s2);
String s3 = new String("1") + new String("1");
String s4 = "11";
s3.intern();
System.out.println(s3 == s4);
}打印结果:
# jdk6下false false# jdk7下false false
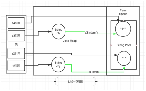
jdk6的解释
image.png
注:图中绿色线条代表String对象的内容指向;黑色线条代表地址指向。
jdk6中,上述的所有打印都是false。
因为jdk6的常量池放在Perm区中,和正常的Heap(指Eden、Surviver、Old区)完全分开。具体来说:使用引号声明的字符串都是通过编译和类加载直接载入常量池,位于Perm区;new出来的String对象位于Heap(E、S、O)中。拿一个Perm区的对象地址和Heap中的对象地址进行比较,肯定是不相同的。
Perm区主要存储一些加载类的信息、静态变量、方法片段、常量池等。
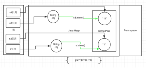
jdk7的解释
在jdk6及之前的版本中,字符串常量池都是放在Perm区的。Perm区的默认大小只有4M,如果多放一些大字符串,很容易抛出OutOfMemoryError: PermGen space。
因此,jdk7已经将字符串常量池从Perm区移到正常的Heap(E、S、O)中了。
Perm区即永久代。本身用永久代实现方法区就容易遇到内存溢出;而且方法区存放的内容也很难估计大小,没必要放在堆中管理。jdk8已经取消了永久代,在堆外新建了一个Metaspace实现方法区。
正是因为字符串常量池移到了Heap中,才产生了上述变化。
第一段代码
image.png
先看s3和s4:
首先,
String s3 = new String("1") + new String("1");,生成了多个对象,s3最终指向堆中的"11"。注意,此时常量池中是没有字符串"11"的。然后,
s3.intern();,将s3中的字符串"11"放入了常量池中,因为此时常量池中不存在字符串"11",因此常规做法与跟jdk6相同,在常量池中生成一个String对象"11"——然而,jdk7中常量池不在Perm区中了,相应做了调整:常量池中不需要再存储一份对象了,而是直接存储堆中的引用,也就是s3的引用地址。接下来,
String s4 = "11";,"11"通过双引号显示声明,因此会直接去常量池中查找,如果没有再创建。发现已经有这个字符串了,也就是刚才通过s3.intern();存储在常量池中的s3的引用地址。于是,直接返回s3的引用地址,s4赋值为s3的引用,s4指向堆中的"11"。最后,s3、s4指向的堆中的"11",常量池中存储s3的引用,满足
s3 == s4。
再看s和s2:
首先,
String s = new String("1");,生成了2个对象,常量池中的"1"和堆中的"1",s指向堆中的"1"。然后,
s.intern();,上一句已经在常量池中创建了"1",所以此处什么都不做。接下来,,
String s2 = "1";,常量池中有"1",因此,s2直接指向常量池中的"1"。最后,s指向的堆中的"1",s2指向常量池中的"1",常量池中存储字符串"1",不满足
s == s2。
第二段代码
image.png
先看s3和s4,将s3.intern();放在了String s4 = "11";后:
先执行
String s4 = "11";,此时,常量池中不存在"11",因此,将"11"放入常量池,然后s4指向常量池中的"11"。再执行
s3.intern();,上一句已经在常量池中创建了"11",所以此处什么都不做。最后,s3仍指向的堆中的"11",s4指向常量池中的"11",常量池中存储字符串"11",不再满足
s3 == s4。
再看s和s2,将s.intern();放到String s2 = "1";后:
先执行
String s2 = "1";,之前已通过String s = new String("1");在常量池中创建了"1",因此,s2直接指向常量池中的"1"。再执行
s.intern();,常量池中有"1",所以此处什么都不做。最后,s指向的堆中的"1",s2指向常量池中的"1",常量池中存储字符串"1",仍不满足
s == s2。
区别小结
jdk7与jdk6相比,对String常量池的位置、String#intern()的语义都做了修改:
将String常量池从Perm区移到了Heap区。
调用String#intern()方法时,堆中有该字符串而常量池中没有,则直接在常量池中保存堆中对象的引用,而不会在常量池中重新创建对象。
使用姿势
建议直接阅读参考资料。
额外的问题
String#intern()的基本用法如下:
String s1 = xxx1.toString().intern(); String s2 = xxx2.toString().intern();assert s1 == s2;
然而,xxx1.toString()、xxx2.toString()已经创建了两个匿名String对象,这之后再调用String#intern()。那么,这两个匿名对象去哪了?
估计猴子对创建对象的过程理解有问题,或许
xxx1.toString()返回时还没有将对象保存到堆上?或许String#intern()上做了什么语法糖?后面有时间再解决吧。。。
参考:
作者:猴子007
链接:https://www.jianshu.com/p/449672f6aae0
共同學習,寫下你的評論
評論加載中...
作者其他優質文章


